| Building Information |
 |
|
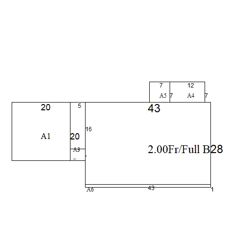
| Main | None | None | None | None | 891 | | A1 | Basement Unfin | 1s Frame | None | None | 32 | | A2 | None | Encl. Frame Porch | None | None | 108 | | A3 | None | Frame Garage | Wood Deck | None | 252 | | A4 | None | Frame Bay | None | None | 8 | | A5 | None | Open Frame Porch | None | None | 24 | | A6 | Stone or Tile Patio | None | None | None | 120 | | A7 | Basement Unfin | 1s Frame | Attic (Finished) | None | 135 |
| |
 |
| Wood | | Full | | Cape Cod | | Central Air | | 1.50 | | Hot Water | | Stone | | Gas | | 6 | | None | | 3 | | Good | | 2 | | B- | | | | Average Traffic | | | | 2 | | 15 x12 | | | none | | 1951 | | none | | 1951 | | 1 | | 1,552 |
| | |
|
| Other Improvements |
|
| 1 | Shed - Frame | 1 | 2001 | 10 | 12 | C | Good | 1 |
|
|
|
| Land Description |
| |
|
Paved |
|
No |
|
Average |
| Level |
|
Public |
|
|
Public |
|
Yes |
|
|
| |
|
|
|
|
|
|
|
No |
|
|
|
| |
|
|
|
|
|
|
|
|
|
|
|
|
|
|
|
| 1 | Primary Site | SC | 3 | 8867 | 1 | Average Traffic |
|
|
|
| Inspection Information |
|
Permit Information |
|
| 9/17/2022 | BC | Entrance & Signature Gained | | 5/16/2016 | GS | Entrance & Signature Gained | | 4/10/2009 | RJG | Entrance & Signature Gained | | 6/3/2002 | RJG | Entrance & Signature Gained | | 6/1/1984 | TWN | Entrance & Signature Gained |
|
|
|
| 9/3/2013 | 100 | $6,950.00 | strip & reroof, rubber roof over garage area only | | 8/9/2001 | 100 | $67,100.00 | Install 10x12 tool shed, $2,100. 01-452 8/20/01 remodl kitch & bathrm, $65,000. |
| |
|
| Sales Information |
|
| 2/29/2024 | $1 | 1611 | 181 | MISAKIAN TRS GEORGE K AND NORMA A | F. convenience | | 9/26/2012 | $100 | 1424 | 3 | MISAKIAN TE GEORGE K | F. convenience | | 9/10/2012 | $100 | 1423 | 15 | MISAKIAN TRS GEORGE K | F. convenience | | 12/11/2009 | $100 | 1378 | 96 | MISAKIAN TE GEORGE K | F. convenience | | 6/1/2009 | $100 | 1369 | 17 | MISAKIAN TRS GEORGE & NORMA A MISAKIAN | F. convenience | | 11/17/2005 | $100 | 1311 | 81 | MISAKIAN TE GEORGE K | F. convenience | | 7/22/2005 | $1 | 1304 | 131 | MISAKIAN TRS GEORGE K AND NORMA A | F. convenience | | 2/6/2003 | $1 | 1264 | 68 | MISAKIAN TE GEORGE K | F. convenience | | 9/14/2001 | $1 | 1242 | 109 | MISAKIAN GEORGE K | F. convenience | | 8/17/2001 | $1 | 1158 | 87 | MISAKIAN LE AGNES | F. convenience | | 7/5/1996 | $1 | 1158 | 87 | MISAKIAN AGNES | F. convenience | | 7/27/1956 | $0 | 00575 | 0181 | | none |
|
|
| Disclaimer |
|
|