| Building Information |
 |
|
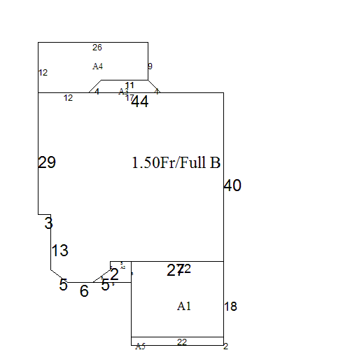
| Main | None | None | None | None | 1,104 | | A1 | None | None | Encl. Frame Porch | None | 147 | | A2 | None | None | 1s Frame | None | 78 |
| |
 |
| Wood | | Partial | | Condo | | Central Air | | 1.00 | | Steam | | Alum/Vinyl | | Gas | | 6 | | Full Finished | | 3 | | Above Average | | 1 | | B | | | | Average Traffic | | | | | | none | | | none | | 1935 | | none | | 1935 | | 0 | | 1,513 |
| | |
|
| Other Improvements |
|
| 1 | Garage - Frame | 1 | 1935 | 20 | 20 | C | Average | 0.5 |
|
| U56 is on 1st flr, U58 is on 2nd flr. Condo TLA taken from sketch for both units, not from Master Deed. |
|
|
|
Condo Information |
| Conversion | | 1 | | No | | Neighborhood 16 | | 1182 | | No | | 52.5 | | 0 | |
|
|
| Land Description |
| |
|
Paved |
|
No |
|
Average |
| Level |
|
Public |
|
|
Public |
|
Yes |
|
|
| |
|
|
|
|
|
|
|
No |
|
|
|
| |
|
|
|
|
|
|
|
|
|
|
|
|
|
|
|
| 1 | Primary Site | R | 16 | 0 | 1 | Average Traffic |
|
|
|
| Inspection Information |
|
Permit Information |
|
| 2/26/2021 | BC | Entrance & Signature Gained | | 5/26/2015 | | Occupant Not At Home | | 5/4/2008 | MO | Entrance & Signature Gained |
|
|
|
| 4/26/2022 | 100 | $45,000.00 | Renovate bathroom. |
|
|
|
| Sales Information |
|
|
| 7/17/2025 | $865,000 | 175 | 126 | NASEEF SAM | Valid | | 4/27/2022 | $750,000 | 165 | 82 | FERRIS KRISTEN | Valid | | 1/6/2012 | $320,000 | 119 | 91 | LIU TE ZHENCHAO | Valid | | 12/28/2011 | $1 | 39 | 10 | LIU TE ZHENCHAO | P. use change |
|
|
| Disclaimer |
|
|